DAM0400-GPRS 设备是我公司DAM 系列设备中GPRS 版本的一种,设备基于移动和联通的 GPRS 网络来进行通讯,使用我司配套的云平台软件可实现远程控制设备功能,每个设备具有唯一 ID 号方便用户进行二次开发使用。
l 供电电压 DC7-40V;
l 继电器输出触点隔离;
l 使用GPRS 通讯,SIM 卡支持移动、联通,暂不支持电信;
l 通信波特率:2400,4800,9600, 19200,38400
l 通信协议:支持标准 modbus 协议;
l 四路继电器控制;
l 可实现远距离操控;
l 具有闪开、闪断功能,可以在指令里边带参数、操作继电器开一段时间自动关闭。
型号 | modbus | RS232 | RS485 | USB | GSM | 继电器 |
DAM0400-GPRS | ● | ● | 4 |
参数 | 说明 |
触点容量 | 10A/30VDC 10A/250VAC |
耐久性 | 10万次 |
通讯接口 | GSM 网络(移动、联通) |
额定电压 | DC 7-40V |
电源指示 | 1路红色 LED 指示(不通信时常亮,通信时闪烁) |
输出指示 | 4路红色 LED 指示 |
温度范围 | 工业级,-40℃—85℃ |
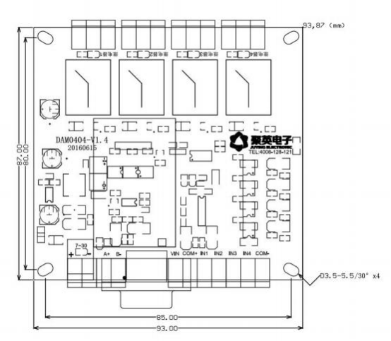
尺寸 | 115*95*41mm |
重量 | 330g |
默认通讯格式 | 9600,n,8,1 |
波特率 | 2400,4800,9600,19200,38400 |
软件支持 | 配套配置软件、app 控制软件,平台软件;支持各家组态软件; 支持 Labviewd 等 |
设备使用基于移动或联通的 GSM 网络进行远程通讯,设备上插入移动或联通 SIM 卡即可,支持流量卡。

1 、 设备上电后,在设备上插入移动或联通 SIM 卡;
2 、 使用手机向设备中的手机号发送设置管理员指令;
3 、 通过提供的二维码标签或者发送查询短信指令获取设备唯一 ID 号;
4 、 安装 app 软件添加设备进行测试【默认设备的指向服务器是我司服务器 】;
5 、 通过发送短信指令来将服务器地址改为使用的服务器地址;【选用】

带壳尺寸

裸板尺寸


获取设备唯一 ID 号有以下两种方式:
使用手机扫描设备外壳或包装外壳上的二维码获取唯一 ID 号,如下所示:


(红色部分为必须指令,其他选用)
1:【管理员手机号】
配置短信:*JY#01#123456#138xxxxxxxx#
2:【APN】
查询:*JY#02#
配置:*JY#02#"CMNET","",""#
3:【DNS】
查询:*JY#03#
配置:*JY#03#114. 114. 114. 114#8.8.8.8#300#60#
4:【登录信息包】
查询:*JY#04#
配置:*JY#04#Hex#010203040506
5:【心跳包】
查询:*JY#05#
配置:*JY#05#ASCII#:138xxxxxxxx.
6:【查询唯一 ID 号】
查询:*JY#30#
配置:*JY#30#UNID:***********
CSQ:**
GPS:**
此处为配置 TCP/UDP Client模式时面向的服务器的IP 地址及端口号设置,默认面向我司的服务器:ems.jydtu.com ,端口号:60001 。(红色部分为可修改部分)网络 1-网络 6 其中的任意通道修改即可。
11:【网络 1】
查询:*JY#11#
配置:*JY#11#1#ems.jydtu.com#60001#10000#300#0#31#
12:【网络 2】
查询:*JY#12#
配置:*JY#12#0##10000#10000#300#0#255#
13:【网络 3】
查询:*JY#13#
配置:*JY#13#0##10000#10000#300#0#255#
14:【网络 4】
查询:*JY#14#
配置:*JY#14#0##10000#10000#300#0#255#
15:【网络 5】
查询:*JY#15#
配置:*JY#15#0##10000#10000#300#0#255#
16:【网络 6】
查询:*JY#16#
配置:*JY#16#0##10000#10000#300#0#255#
21:【串 口 1】
查询:*JY#21#
配置:*JY#21#0#0#0#0#255#0#
22:【串 口 2】
查询:*JY#22#
配置:*JY#22#0#0#0#0#255#0#
23:【串 口 3】
查询:*JY#23#
配置:*JY#23#0#0#0#0#255#0#
24:【串口 4】
查询:*JY#24#
配置:*JY#24#0#0#0#0#255#0#
25:【串 口 5】
查询:*JY#25#
配置:*JY#25#0#0#0#0#255#0#
短信指令也可通过软件生成。
打开软件后,打开串口,修改参数配置,点击修改后,在 DTU 配置软件的“基本配置信息 ”页,点击“生成短信 ”,即可生成短信指令。

聚英云平台为我公司开发的一款网络平台软件,平台包含手机 APP 平台软件和网页版平台,其中手机 APP 软件又包含 Android 、IOS 两大类,平台以我公司的 DAM 系列网络版设备和GPRS 版设备为应用对象,旨在为用户提供远程控制输出(继电器、开关量)、模拟量(4-20mA 、0-10V 、0-5V)采集、开关量采集等服务,极大方便了用户的需求,服务器由我公司提供,客户可放心使用。
云平台软件分为以下三种:
Android 版 app 软件:

IOS 版 app 软件:

用户可通过聚英云平台自行添加 DAM 系列网络版设备实现远程监控,DAM 系列网络版设备,每台设备拥有唯一 ID 号,同一台设备可供多个用户添加使用。
在手机上安装下载的 app 软件,以 Android 为例(IOS 版操作方法相同)。安装后的图标如下

打开软件后,点击“用户信息 ”,显示登陆界面,如下:

软件支持 QQ 和微信登陆,确保了用户的信息安全,同时方便用户使用,也可通过手机注册账号登陆。
登陆账号后,在“实时监控 ”界面内添加设备,如下所示:

产品型号通过下拉选择,需要根据购买的设备型号选择,

fUNID 指的是设备的唯一 ID 号,可通过扫一扫,扫描设备上的二维码,或通过查询指令获取 ID 号写入即可。
扫描二维码获取唯一 ID
点击 fUNID 后面的 ,可进入扫描二维码界面,如下所示。

扫描完成后自动获取唯一 ID 号。

成功添加设备后,可在“实时监控 ”界面进行设备参数设置、控制与数据查看。


点击顶部菜单栏内的图标,即可进入编辑页面,对 DO 通道的名称进行修改,如下图所示:

在编辑页面内,对 DI 通道的名称进行修改,如下图所示:

在编辑页面也可对 AI 模拟量的输入进行上下限报警设定,如下:

编辑完成后,点击完成,在监控界面查看当前设备状态即可,此时,设备已实现真正意义上的远程监控功能。
首先确定设备的输入信号为哪一种,我们以温度变送器为例,温度变送器的输出信号为4-20mA ,通过 DAM 设备采集温度变送器的输出信号。DAM 设备采集到的 4-20mA 数据与实际之间的关系为:实际值=返回值*0.001 ,及采集到的数据值范围为 4000-20000 ,若温度范围为0-100℃ , 则在编辑界面写入对应关系,如下所示即可。

对应关系编辑确定后,在设备界面查看即可。历史数据及曲线记录

在编辑页面点击

即可删除设备。
本控制卡主要为线圈寄存器,主要支持以下指令码:1 、5 、15
指令码 | 含义 |
1 | 读线圈寄存器 |
5 | 写单个线圈 |
15 | 写多个线圈寄存器 |
线圈寄存器地址表:
寄存器名称 | 寄存器地址 | 说明 |
线圈控制 | ||
线圈 1 | 00001 | 第一路继电器输出 |
线圈 2 | 00002 | 第二路继电器输出 |
线圈 3 | 00003 | 第三路继电器输出 |
线圈 4 | 00004 | 第四路继电器输出 |
配置参数 | ||
通信波特率 | 41001 | 见下表波特率数值对应表,默认为 0 ,支持0-5 ,该寄存器同时决定 RS232 和 RS485 的通信波特率 |
备用 | 41002 | 备用,用户不可写入任何值。 |
设备组号 | 41003 | 用于扩展设备使用。 组号取值范围:0, 1,2,3,4,5,6,7 设备地址=设备组号*32+组内地址 |
备用 | 41004 | 用户可以使用,存储用户数据 |
备用 | 41005 | 用户可以使用,存储用户数据 |
只读参数 | ||
设备地址 | 30001 | Modbus 访问的地址 |
线圈输出状态 | 30002 | 1-16 |
光耦输入状态 | 30003 | 1-16 |
备注:
① :Modbus 设备指令支持下列Modbus 地址:
00001 至 09999 是离散输出(线圈) 10001 至 19999 是离散输入(触点)
30001 至 39999 是输入寄存器(通常是模拟量输入) 40001 至 49999 是保持寄存器(通常存储设备配置信息)
采用5 位码格式,第一个字符决定寄存器类型,其余 4 个字符代表地址。地址 1 从 0 开始,如 00001 对应 0000。
波特率数值对应表
数值 | 波特率 |
0 | 9600 |
1 | 2400 |
2 | 4800 |
3 | 9600 |
4 | 19200 |
5 | 38400 |
③ :继电器状态,通过 30002 地址可以查询,也可以通过 00001---00002 地址来查询,但控制只能使用 00001---00002 地址。
30002 地址数据长度为 16bit 。最多可表示 16 个继电器。
对应结果如下:
Bit | 15 | 14 | 13 | 12 | 11 | 10 | 9 | 8 | 7 | 6 | 5 | 4 | 3 | 2 | 1 | 0 |
继 电 器位置 | 8 | 7 | 6 | 5 | 4 | 3 | 2 | 1 | 16 | 15 | 14 | 13 | 12 | 11 | 10 | 9 |
即 寄存器 30009 数据 的 bit8 与寄存器 00001 的数据一样。
同理:光耦输入也是如此。寄存器 30003 的 bit8 、bit9 与寄存器 10001 、10002都对应到指定的硬件上。
寄存器地址按照 PLC 命名规则,真实地址为去掉最高位,然后减一。
| RTU 格式(16 进制发送) |
查询四路状态 | FE 01 00 00 00 04 29 C6 |
查询指令返回信息 | FE 01 01 00 61 9C |
控制第一路开 | FE 05 00 00 FF 00 98 35 |
控制返回信息 | FE 05 00 00 FF 00 98 35 |
控制第一路关 | FE 05 00 00 00 00 D9 C5 |
控制返回信息 | FE 05 00 00 00 00 D9 C5 |
控制第二路开 | FE 05 00 01 FF 00 C9 F5 |
控制第二路关 | FE 05 00 01 00 00 88 05 |
控制第三路开 | FE 05 00 02 FF 00 39 F5 |
控制第三路关 | FE 05 00 02 00 00 78 05 |
控制第四路开 | FE 05 00 03 FF 00 68 35 |
控制第四路关 | FE 05 00 03 00 00 29 C5 |
控制 1 路继电器(以第一路开为例,其他通道参照本例)
发送码:FE 05 00 00 FF 00 98 35
字段 | 含义 | 备注 |
FE | 设备地址 | 这里为广播地址 |
05 | 05 指令 | 单个控制指令 |
00 00 | 地址 | 要控制继电器寄存器地址 |
FF 00 | 指令 | 继电器开的动作 |
98 35 | CRC16 | 前 6 字节数据的CRC16 校验和 |
继电器卡返回信息:
返回码:FE 05 00 00 FF 00 98 35
字段 | 含义 | 备注 |
FE | 设备地址 | 这里为广播地址 |
05 | 05 指令 | 单个控制指令 |
00 00 | 地址 | 要控制继电器寄存器地址 |
FF 00 | 指令 | 继电器开的动作 |
98 35 | CRC16 | 前 6 字节数据的CRC16 校验和 |
查询4 路继电器
发送吗:FE 01 00 00 00 04 29 C6
字段 | 含义 | 备注 |
FE | 设备地址 | 这里为广播地址 |
01 | 01 指令 | 查询继电器状态指令 |
00 00 | 起始地址 | 要查询的第一个继电器寄存器地址 |
00 04 | 查询数量 | 要查询的继电器数量 |
29 C6 | CRC16 | 前 6 字节数据的CRC16 校验和 |
继电器卡返回信息:
返回码:FE 01 01 00 61 9C
字段 | 含义 | 备注 |
FE | 设备地址 | |
01 | 01 指令 | 返回指令:如果查询错误,返回 0x81 |
01 | 字节数 | 返回状态信息的所有字节数。1+(n-1)/8 |
00 | 查询的状态 | 返回的继电器状态(16 进制转为 2 进制,其中 1 代表吸合,0 代表断开)。 Bit0:第一个继电器状态 Bit1:第二个继电器状态 。。。。。。。 Bit7:第八个继电器状态 |
61 9C | CRC16 | 前 6 字节数据的CRC16 校验和 |
闪开发送码:FE 10 00 03 00 02 04 00 04 00 0A 00 D8
闪断发送码:FE 10 00 03 00 02 04 00 02 00 14 21 62
字段 | 含义 | 备注 |
FE | 设备地址 | |
10 | 10 指令 | 查询输入寄存器指令 |
00 03 | 继电器地址 | 要控制的器地址 |
00 02 | 控制命令数量 | 要对继电的命令个数 |
04 | 字节数 | 控制信息命令的的所有字节数。1+(n-1)/8 |
00 04/00 02 | 指令 | 闪开闪闭指令 |
00 0A | 延时时间 | 00 0A 为十六进制换为十进制则为间隔时间 |
00 D8 | CRC16 |
返回码:FE 10 00 03 00 02 A5 C7
字段 | 含义 | 备注 |
FE | 设备地址 | |
10 | 10 指令 | 返回指令:如果查询错误,返回 0x82 |
00 03 | 设备地址 | 查询设备的地址 |
00 02 | 接收命令数 | 设备接受的命令个数 |
A5 C7 | CRC16 | 校验位 |
全开发送码:FE 0F 00 00 00 04 01 FF 31 D2
全断发送码:FE 0F 00 00 00 04 01 00 71 92
字段 | 含义 | 备注 |
FE | 设备地址 | |
0F | 0F 指令 | 返回指令:如果查询错误,返回 0x82 |
00 00 | 起始地址 | |
00 04 | 控制数量 | 控制的继电器数量 |
01 | 字节数 | 发送命令字节数 |
FF (或 00) | 全开全关命令 | FF 全开命令 00 全关命令 |
31 D2(或 71 92) | CRC16 | 校验位 |
全断全开返回码:FE 0F 00 00 00 04 40 07
字段 | 含义 | 备注 |
FE | 设备地址 | |
0F | 0F 指令 | 返回指令:如果查询错误,返回 0x82 |
00 00 | 起始地址 | |
00 04 | 数量 | 返回信息的继电器数量 |
40 07 | CRC16 | 校验位 |


| 云平台 DAM0400 GPRS版 远程智能控制器说明书 | 云平台 DAM0400 GPRS版 远程智能控制器说明书 |
| 网口配置软件 | 网口配置软件 |
| WIFI配置手册 | WIFI配置手册 |
| 网口WIFI配置资料 | 网口WIFI配置资料 |
| GPRS配置手册 | GPRS配置手册 |
| 应用软件(WEB端) | 应用软件(WEB端) |
| 应用软件(PC端) | 应用软件(PC端) |
| 开发资料 | 开发资料 |
联网方式:LORA/2G/4G全网通
功能说明:8DO+8DI+8AI
版本说明:智能自控版
联网方式:Lora/网口/WiFi/网口+WiFi/2...
功能说明:16DO+16DI
版本说明:智能自控版
联网方式:2G/4G全网通
功能说明:16AI+8PT
版本说明:标准版
联网方式:2G/4G全网通
功能说明:4DO+8DI
版本说明:标准版
联网方式:2G/4G全网通
功能说明:4DO+4PT
版本说明:标准版
联网方式:2G/4G全网通
功能说明:16DO+24DI
版本说明:标准版
联网方式:2G/4G全网通
功能说明:8DO+8DI+8AI
版本说明:智能自控版
联网方式:2G/4G全网通
功能说明:14DO
版本说明:标准版